产品描述
SDG-WX无线压力变送器是一款电池供电、具有无线通讯功能的仪表,它采用带不锈钢隔离膜片的硅压阻式传感器作为压力测量元件,并使用专用的IC电路对宽温度范围内零点和满度性能补偿。该产品无线信号传输符合Zigbee网络协定。多个产品组成的Zigbee网络系统,可检测大区域范围内的众多监测点实时数据,如煤气柜水封检测、储油罐检测、工业现场自动化控制检测等等。产品应用领域主要有石油、煤炭、自来水、自动化控制等。
应用领域
船舶、军工、科研、石油
化工、冶金、石油、电力、水处理等自动化行业
特 点
精度高,实时性强,采样频率高,抗干扰,系统功耗低
电池寿命长,LCD显示,输出无线信号
实用按键操作,可现场设置
具有防震、防潮功能
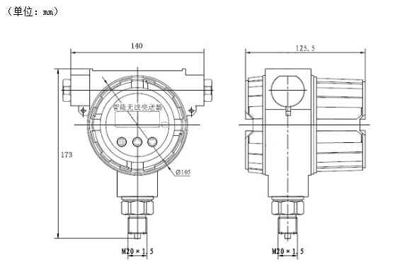
外形尺寸
